
ブロー型の底型復元(レーザー溶接)
扶桑精工 大阪工場 事例 業種飲料業界対象部品ブロー成型用金型(底型)対象金型材質*** 飲料メーカーの底型で発生したかじりつきの対応として、復元を行った事例をご紹介します。弊社で図面をスケッチして、復元加工いたしました…
図面化射出成形金型 修理・メンテ自動車
リバースエンジニアリングの
プロフェッショナル
装置・自動機パーツ
リバースエンジニアリング
センター
装置部品、自動機部品などを図面なしでも分析解体・再生いたします。
装置・自動機パーツリバースエンジニアリングセンターを運営する扶桑精工は、
幅広いご提案と実績でお客様の生産をサポートします。

product
実際に製造・提供した製品・メンテ改造の実績の一部をご紹介いたします。

扶桑精工 大阪工場 事例 業種飲料業界対象部品ブロー成型用金型(底型)対象金型材質*** 飲料メーカーの底型で発生したかじりつきの対応として、復元を行った事例をご紹介します。弊社で図面をスケッチして、復元加工いたしました…
図面化射出成形金型 修理・メンテ自動車

2026/3/9 岐阜工場事例 業種 自動車業界 対象部品 ブロー成型用金型 対象金型材質 鋼材 数十年前に製作された金型のガイドピンが破損したとの事で、修繕対応をした事例をご紹介します。 かなり古い金型であり図面が残っ…
図面化射出成形金型 修理・メンテ自動車

業種 ホビー業界 対象部品 自動押抜機の金型 対象部品サイズ 約90mm×110mm×60mm 対象部品※画像は加工しています 部品をスケッチ後図面化※画像は加工しています 一点物の手作り金型を、高精度に図面化・デジタル…
図面化

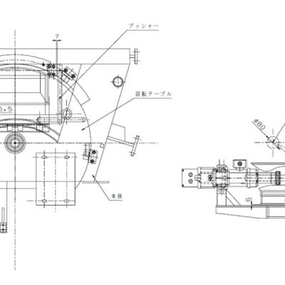
業種 金型加工業 対象機械 外径加工機 対象機械サイズ 約2800mm×1200mm×2000mm 全体図 材料加工部と刃 こちらは外径加工機と言われており、自動で送られてきた円筒状の材料を左右のツメで掴んで回転させて、…
金型製造業

業種 ガラス加工業 対象装置 オシレーション装置 対象部品サイズ 1600mm×1200mm×370mm(最大) 対象装置部品(一部) 作成した図面による干渉チェック こちらはオシレーション装置と言われる装置の部品になり…
ガラス加工業
お急ぎの方はお電話でも042-774-1101
受付:平日9:00〜17:00
事例Technical Proposal
創業以来積み重ねてきた技術力やノウハウにより、積極的な品質向上・コストダウンに関する技術提案をいたします。
Technical information
リバースエンジニアリングの技術情報や知識について、わかりやすく紹介しております。

はじめに ものづくりの業界のみならず、趣味でも個人的に使用している人も少なくないほど、身近な存在となった3Dプリンタですが、リバースエンジニアリングの分野でも3Dプリンタをうまく活用することで多くの利点があります。 今回…
リバースエンジニアリング

はじめに リバースエンジニアリングと一言にいっても、相手は多種多様な機械や部品。そんな様々な種類の対象を相手にリバースエンジニアリングの解析を進めるのは容易なことではありません。 実は、リバースエンジニアリングを進める際…
リバースエンジニアリング

はじめに リバースエンジニアリングで古い機械の修理として部品を再生する際、頭を悩ませるのが部品の材質です。破損した部品と同じ材質で作る場合、元の部品があるのだから測定器具などで測ったり、色で見て簡単に判別できるのではない…
リバースエンジニアリング