製品事例
減速機のリバースエンジニアリング
| 業種 | ガラス加工業 |
| 機械種類 | 研磨加工機 |
| 対象サイズ | φ300×L500㎜ |
こちらは、過去に当社が製造した加工機に組み込まれていた減速機の異音発生に伴う、分解清掃と部品交換を実施した事例です。長年の使用により摩耗した部品を特定し、機能回復を図りました。
まず、減速機を分解し、各部品の状態を詳細に検査しました。その結果、異音の原因はベアリングの摩耗であると判明しました。そこで、同一仕様の新品ベアリングに交換し、その他の部品についても清掃と点検を実施しました。
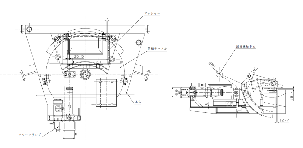
減速機の分解にあたり、内部構造を把握するため、図面を参考にしながら慎重に作業を進めました。また、再組立時には、各部品の適切な位置関係と締め付けトルクを厳守し、精度を確保しました。
ベアリング交換と分解清掃により、減速機の異音は解消され、正常な動作を回復しました。当社では、古い機械の修理やメンテナンスについても、リバースエンジニアリングの技術を駆使し、対応いたします。お困りの機械がございましたら、お気軽にご相談ください。